Sind es denn die richtigen Kerzen? bzw hast du den Elektrodenabstand kontrolliert vorm Einbau?
Beiträge von Executive89
-
-
Moin, also ich kann dir nur sagen wie das beim Facelift ist, da sind nur Relais an der Rückbank.
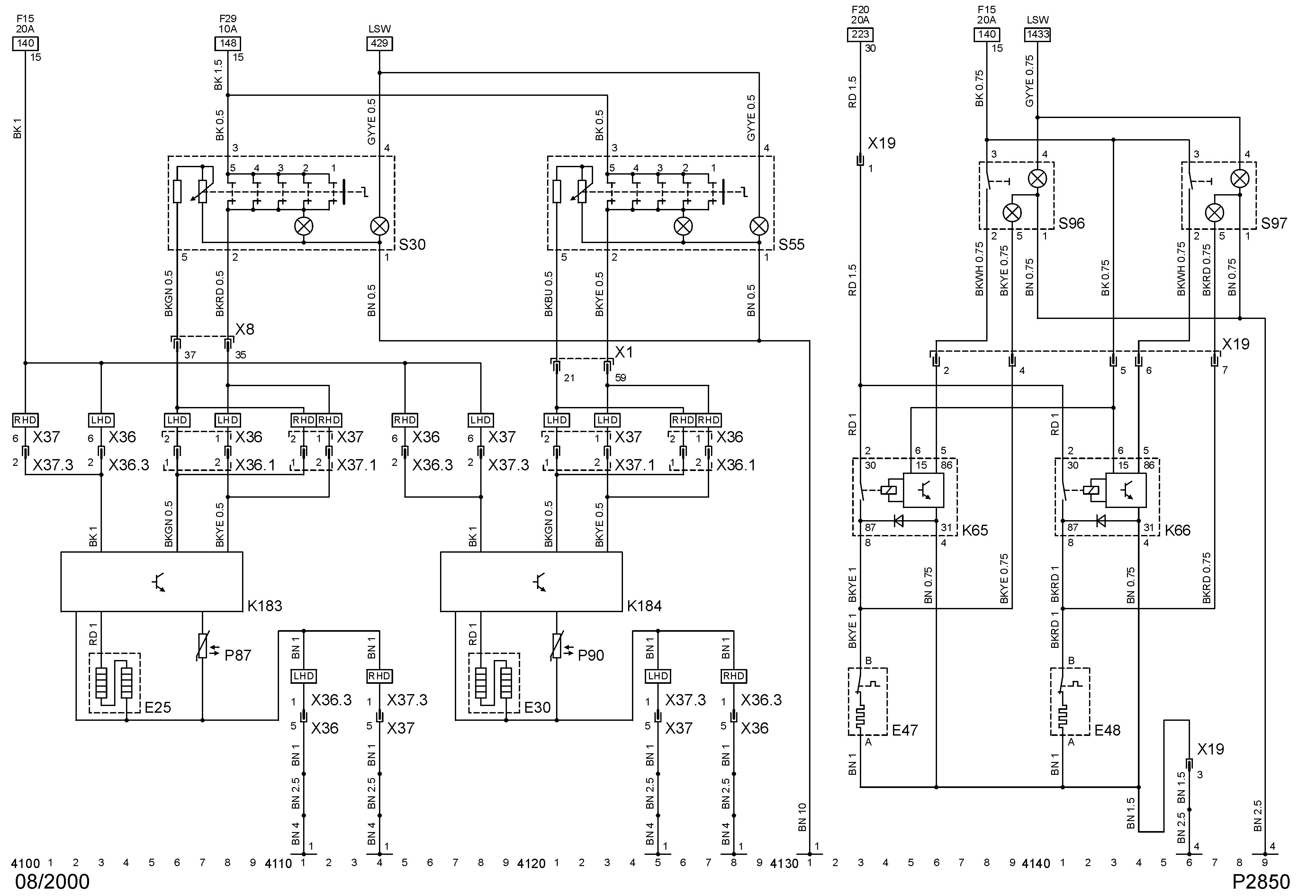
Stromlaufplan Omega-B ab MJ 2000
Stromkreis
Massepunkte
Abkürzungen
Gerätekurzzeichen
Sitzheizung, vorn 4100 - 4131
Sitzheizung, hinten 4133 - 4149
1 Karosserie, vorn, links
4 A - Säule, links
LHD Linkslenker
LSW Lichtschalter
RHD Rechtslenker
E25 Sitzheizung - Vorn, links
E30 Sitzheizung - Vorn, rechts
E47 Sitzheizung - Hinten, links
E48 Sitzheizung - Hinten, rechts
K65 Relais - Heizmatte, hinterer Sitz,
links
K66 Relais - Heizmatte, hinterer Sitz,
rechts
K183 Regler - Sitzheizung, vorn, links
K184 Regler - Sitzheizung, vorn, rechts
P87 Sensor - Temperatur,
Sitzheizung, Links
P90 Sensor - Temperatur,
Sitzheizung, Rechts
S30 Schalter - Sitzheizung, vorn, links
S55 Schalter - Sitzheizung, vorn,
rechts
S96 Schalter - Sitzheizung, hinten,
links
S97 Schalter - Sitzheizung, hinten,
rechts
X1 Instrumententafel & Karosserie
X8 Instrumententafel & Karosserie
X19 Karosserie & Sitzheizung -
Hinten
X36 Karosserie & Fahrersitz
X36.1 Fahrersitz & Gurtstraffer
Zusammenbau, Fahrer
X36.3 Fahrersitz & Sitzheizung
X37 Karosserie & Beifahrersitz
X37.1 Beifahrersitz & Gurtstraffer
Zusammenbau, Beifahrer
X37.3 Beifahrersitz & Sitzheizung -
Also ich habe die Lamdasonde immer mit nem Oszilloskop geprüft (geht alternativ aber auch mit nem Multimeter)
Ich nehme mal an das dein Motor viel zu Fett läuft aber mittlerweile hast du ja auch schon alles ausprobiert

-
Guten Abend und willkommen im Forum.
habt Ihr die Zündung richtig eingestellt?
stimmen die Steuerzeiten?
ist die Klappe vom Luftmengenmesser sauber und hackt nicht?
Lamdasonde geprüft?
Kühlmitteltemperatursensor mal den wiederstand gemessen? sollte so um die 4 Ohm haben im kalten Zustand.
das war jetzt das was mir so auf die schnelle eingefallen ist

Gruß Executive89
-
Also Grundsätzlich sage ich mit defekter Kopfdichtung so weit fahren "NEIN", denn Wasser und Kurbelwellenlager Etc. vertragen sich überhaupt nicht.
Allerdings wenn du sagst das er kaum was verbraucht, auf gut Glück versuchen.
Die frage ist, machst du das alles selber oder lässt du es machen? Alleine für die Teile mit Köpfe planen etc bist du locker 600 Euro los
Ich würde es mal mit 1000 Euro versuchen, vielleicht sagt der Verkäufer ja zu

Gruß
-
Also das mit dem ESD kann ich nicht bestätigen, ich habe die Mittelschalldämpfer noch drin, und nur nen Rohr als ESD und mir gefällt es vom Klang her super.

http://www.youtube.com/watch?v…=UUlgyohbayF-AsB4LhrKU_lQ
-
Jawoll, da hast du ja nochmal richtig viel Geld investiert. Denn mal viel Spaß mit deinem "neuen" Triebwerk

Gruß
-
Tja das liegt meiner Meinung nach am Image. Naja mir sollst egal sein ich weiß ja das die Omis gut sind

-
Moin Moin und willkommen hier bei den Freaks

-
Oh man, wenn der nicht am Arsch der Heide stehen würde wäre ich schon längst da
