Beiträge von funkyy

    Hallo Carsten,


    das wichstigste bei einer Gasumrüstung ist das sich der Umrüster gut mit der Gasanlage auskennt die er einbaut.
    Die beste Anlage hilft nichts wenn der Umrüster "zu blöd" ist diese richtig einzubauen und einzustellen.
    Mit einer BRC Plug & Drive oder einer Prins VSI hättest du eine sehr gute Anlage.
    Bei meinem Omega ist eine BRC Plug & Drive eingebaut welche seit 3 Jahren und 120.000 KM ohne Probleme läuft.


    Mfg


    Markus

    Moin,


    bei einer Autogasanlage müssen die Benzineinspritzdüsen unterbrochen werden und die Signale an das Gassteuergerät weiter geleitet werden.
    Sollte da was falsch angeschlossen sein oder eine Verbindung nicht richtig Funktionieren, (kalte Lötsstelle oder irgentwelche Quetschverbinder genommen) könnte das die Ursache für den Fehler sein.
    Was hast du denn für eine Gasanlage in deinem Auto?
    Ich hab bei meinem Y26SE eine BRC Plug&Drive eingebaut.


    Mfg


    Markus


    Edit:


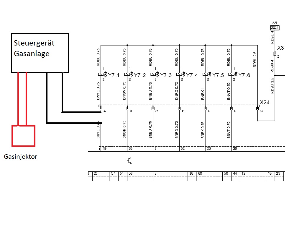
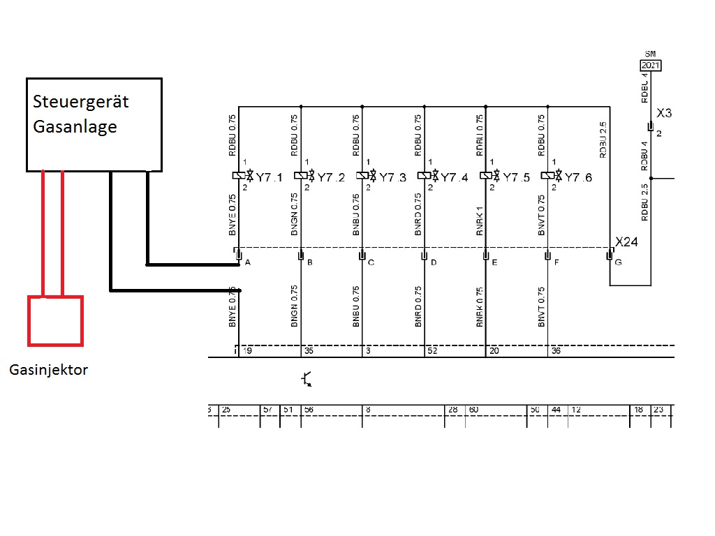
    Ich hab mal den Anschluß der Gasanlage symbolisch für den ersten Zylinder in den Schaltplan vom Y26SE / Y32SE eingezeichnet.
    Im Benzinbetrieb schaltet das Gassteuergerät das Benzineinspritzsignal direkt auf die Einspritzdüse durch.
    Und im Gasbetrieb wird das Benzineinspritzsignal unterbrochen und vom Gassteuergerät vermessen, um ein neues Einspritzsignal
    gemäß konfiguration deiner Gasanlage zu berechenen und dieses an den Gasinjektor weiter zu leiten. Moderne Gassteuergeräte
    Simulieren dem Motorsteuergerät das vorhanden sein der Benzineinspritzdüsen.(Widerstand)

    Hallo Jens,


    hast du die Möglichkeit den Benzindruck zu prüfen?
    Immer wenn du auf Gas fährst pumpt die Benzinpumpe ja fleißig das Benzin im Kreis.
    Und wenn du dazu noch sehr wenig Benzin im Tank hast fehlt ihr ja auch die Kühlung.
    Vielleicht verabschiedet sich ja deine Benzinpumpe so langsam...
    Das würde zumindest erklären warum er auf Gas gut läuft.


    Mfg


    Markus


    Ps.: habe den selben Motor mit BRC Gasanlage

    Moin,


    der Verdampfer hat nur nen Temperatursensor drin, welcher direkt mit dem Gassteuergerät verbunden ist.


    Schau die mal folgenden Dokumente an vielleicht helfen sie dir:


    http://www.zavoli.com/upload/manuali/en_file_4.pdf


    Da ist der Schaltplan der Anlage auf Seite 40.


    Und wenn du mal den Verdampfer zerlegen willst:


    http://www.zavoli.com/upload/manuali/en_file_14.pdf


    Mfg


    Funkyy


    ps. Wie fügt man hier eigentlich vernünftig nen Link ein? (hat sich erledigt :O )